手工明细账记账图解 新手会计不会做账?老会计手把手带你做手工账,附全盘手工账模板
新手会计不会做账?老会计手把手带你做手工账,附全盘手工账模板
会计这个行业是比较稳定的工作,对于大多数人来讲谋一份稳定的工作是很重要的,这样基本的生活日常才能保障。从零开始学会计的大有人在,但是入门就比较吃苦了!需要自己下功夫认真钻研相关基础知识和积累做账经验了。
虽然说现在会计都是电脑账了,但是手工账作为基础也是需要会计人员掌握的,很多会计害怕刚入职没有老会计带,怕自己过不了试用期,现在不用担心了,今天在这里汇总了:完整版全盘手工账模板 ,照着做没问题的!
完整版全盘手工账模板
1、记账凭证的填制模板
2、丁字账的填制模板
3、现金日记账的填制模板
4、银行日记账的填制模板
5、三栏明细账的填制模板
6、多栏明细账的填制模板
……全盘手工账的模板较多,篇幅受限,不一一展示了。希望对新接触到会计工作的小伙伴有帮助哦。
财务总监直言:不会手工账的会计一律不用,附全套手工账模板
虽然说现在都是科技信息时代了,我们财务人员做账也都实现了自动化了。像用友和金蝶呀,就是企业用得最多的财务做账系统了。但是会电脑账的前提也要会手工账,前些天公司刚好了一位实习会计,实习了一周了,总监发现这个人实习生不会做手工账,于是就给人事说,不会手工账的以后就不面试了!不知道各位公司怎么要求的?我也感觉手工账还是有必要掌握的,毕竟这个是会计做账的基础么。今天在这里汇总了老会计整理的全盘手工账模板,这下照着做,总该会了!
全盘手工账模板
1、记账凭证(74个模板)
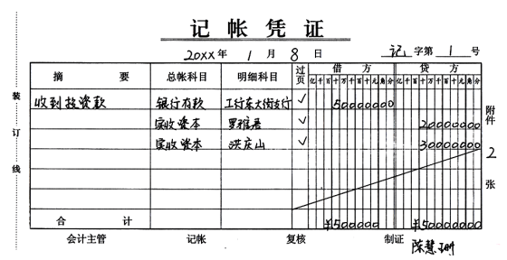
(1)收到投资款的记账凭证
(2)报销注册费的记账凭证
(3)预交房租的记账凭证
(4)计提工资的记账凭证
2、丁字账(16个)
(1)2月份丁字账
3、现金日记账
4、银行日记账
5、三栏明细账
6、多栏明细账
7、固定资产明细账
8、数量金额式明细账
9、应交增值税明细账
10、试算平衡表
11、总账
12、科目汇总表
13、财务报表
(1)资产负债表
(2)现金流量表
(3)利润表
……篇幅内容限制,今天就到这儿了~也希望对财务人员的做账有帮助哦。
手工明细账到底有些啥?会计老司机为你逐一讲解!
注:本文为《王小菜学会计》教程的一部分,版权为本文作者所有。
第二步 记明细账
一、明细账的种类
填写完记账凭证和凭证汇总表,接下来就是记明细账了。记明细账是整个手工账的重头戏,工作量大,上承记账凭证,下接总账,非常重要。然而,明细账种类繁多,什么现金日记账、银行存款日记账、三栏式明细账、多栏式明细账、数量金额式明细账、应交增值税明细账、固定资产明细账等等,让人头大心慌。到底有哪些明细账?这么多账,哪些是必须做的?哪些可以不做呢?
图4-4 会计账簿
根据《会计基础工作规范》的规定,企业必须设置总账、明细账、日记账和其它辅助性账簿。按这个规定,现金日记账、银行存款日记账不包含在明细账之内,但它们是事实上的明细账,所以我们在本步骤中一起学习。
我们把常见的明细账簿归纳整理为下表。其中,现金日记账适用于库存现金账户;银行存款日记账适用于银行存款账户;三栏式明细账适用于除需要进行数量金额核算之外的所有账户;多栏式明细账适用于需要分栏目核算的账户,如销售费用、管理费用、财务费用、主营业务收入、主营业务成本、应交增值税等;应交增值税明细式一种特殊的多栏账,适用于应交税费——应交增值税科目;数量金额式明细账适用于需要核算数量的会计账户,如材料采购、在途物资、原材料、库存商品、发出商品、委托加工物资、周转材料等;固定资产明细账则适用于固定资产和累计折旧账户。
表4-1 明细账的种类
会计实务中,现金日记账、银行存款日记账、三栏式明细账等三个账簿为必须设置的会计账簿,其它账簿则根据企业具体情况来设置。增值税一般纳税人需要设置应交增值税多栏账,小规模纳税人则不必;涉及商品购销业务的企业,需要设置数量金额式明细账;涉及固定资产业务的企业,需要设置固定资产明细账或固定资产卡片。
二、登记明细账的流程
确定好需要设置哪些明细账簿之后,接下来就需要按部就班地登记各明细账了。登记明细账的起点为记账凭证,其中,涉及收款、付款业务的记账凭证需要登记现金日记账和银行存款日记账,这个任务一般由出纳员完成;其它业务需要登记明细账,这个任务由会计完成。本教程中,这是王小菜的任务。
图4-5 登记明细账的流程
登记明细账一般按记账凭证的顺序,逐笔登记,并没有先登记哪个账户、后登记哪个账户的讲究。
三、登记明细账的一般方法
以三栏式明细账为例,明细账账页一般都有表头和表体两个部分。
表头部分,需要填写会计账户名称、页码等信息。表体部分,有日期、凭证字号、摘要、借方金额、贷方金额和余额等栏目。如下图。
图4-6 手工明细账
登记明细账的一般方法是:
1.根据会计账户的具体情况填写账户名称。以云南兴盛商贸有限公司为例,该公司主营业务收入科目未设置二级以下科目,所以在登记主营业务收入账户的明细账时,表头部分只需要填写“一级科目:主营业务收入”即可,二级以下科目无需填写;又如应收账款——昆明元工电线电缆有限公司科目,在登记明细账时,表头部分先要填写“一级科目:应收账款”,然后填写“二级科目:昆明元工电线电缆有限公司”。限于表页,明细科目只预留了两级,如果会计科目的级次多于三级,可以把三级以后明细科目全部写在最后一个科目栏。
2.账页表头的页码需要填分页和总页两个数字。分页指当前会计账户的页码,总页指整个三栏式明细账的页码。除现金日记账和银行存款日记账外,其它会计账簿一般使用活页账。因此,明细账页的页码可能存在增减变动。填写账页表头的时候,可以先填写分页的页码,待整个账簿登记完毕以后再来填写总页页码。
3.日期的填写很简单,账页开头填写年份,然后逐行填写记账的日期。会计记账应按及时性原则,及时登记,但也没必要每天都登记。在云南兴盛商贸应该是本期合计,本年累计等前边一般无需填写日期。
4.填写日期后,需要按照记账凭证的编号,填写凭证字号。“字”指的是“记”或“收”、“付”、“转”等凭证类别符号。如云南兴盛商贸有限公司2017年11月11日记1号凭证,在明细账中填“记字1号”,如下图:
图4-7 手工明细账
5.关于摘要的填写,我的建议是按记账凭证的摘要填写,如空格不够填写,可适当简化。
6.填写金额数字,一般不能写的太满,字体大写占格子的二分之一作用就可以了。每一行账,根据情况需要在借方或贷方填写数字,或者都不填,但余额一定要结算出来,并填写上去。
7.一行账的余额如果为零,应在“借或贷”栏目填写“平”字,并在余额栏的个位数填写结平的会计符号“0”。该符号类似于英文字母Q,但不能等同。
8.记账时如需填写负数,一般使用红字填写。
9.每月终了,损益类会计账户需要汇总出本期合计数和本年累计数,为编制财务报表提供数据。非损益类会计账户则无此必要。当然了,如果你对每个科目都进行汇总,填写了本期合计和本年累计,那也不算出错。另外,登记账簿时本期合计和本月合计两个术语是通用的,没有区别。
10.会计账户如有期初余额,需要在账页第一行摘要栏填写“期初余额”四字,然后把期初余额数字填写在余额栏;一个账页填写完毕,如账户内容未完,需要在账页最后一行摘要栏填写“转次页”三字,把前面尚未汇总的本期合计或本年累计数以及余额结转至次页;次页第一行摘要栏填写“承前页”三字,并把上页最后一行的内容结转过来。
四、现金日记账
现金日记账和银行存款日记账统称为日记账,是任何一个会计主体必须设置的会计账簿。现金日记账和银行存款日记账是事实上的明细账,但日常会计实务中的“明细账”这个概念并不包含日记账。现金日记账和银行存款日记账一般由出纳员进行记账和管理,由会计主管进行审核、监督。
下图是现金日记账的格式。实际上,现金日记账的格式和三栏式明细账是一样的,都包含日期、凭证字号、摘要和借方金额、贷方金额、余额等栏目。现金日记账的特殊之处在于,我们需要每天登记当天发生的业务,并结出“本日小计”的数额,做到日清日结。所以,现金日记账是一种“序时账”。每月结束,还需要在当月最后一日的“本日小计”后,添加“本期合计”或“本月合计”,将当期的借方金额、贷方金额汇总填列。
图4-8 现金日记账
现金日记账应按年度设置,一年一本。填写现金日记账的时候,如当年有期初余额,应在账簿第一行摘要处填写“期初余额”四字,并把当期期初余额填写在余额栏目。日常账目的填写如上文所述。一个账页结束,如当年现金日记账未登记完毕,应在账页最后一行的摘要处填写“过次页”,将上一行的本日小计或本期合计和余额结转到次页,或者把余额结转到次页。
具体情况是,如现金日记账账页的倒数第二行的内容是本日小计或本期合计,则只需把余额结转到次页。如下图:
图4-9 现金日记账局部
如倒数第二行的内容是一行具体的账目,则“过次页”一行需要汇总本日数额,连同余额一起结转到次页,如下图:
图4-10 现金日记账局部
五、银行存款日记账
银行存款日记账和现金日记账一样,一般由出纳员进行登记和管理,由会计主管进行审核、监督。银行存款日记账的格式和现金日记账的格式基本相同,所不同的地方在于,银行存款日记账需要在账页上注明开户行和银行账号,按不同的账户分别设置日记账。
下图是银行存款日记账的格式。银行存款日记账的页头有开户行和账号两个栏目,账页内容含日期、凭证字号、摘要和借方金额、贷方金额、余额等栏目。银行存款日记账必须每日一记,每日结出“本日小计”的数额,做到日清日结。另外,每月结束,还需要在当月最后一日的“本日小计”后,添加“本期合计”或“本月合计”,将当期的借方金额、贷方金额汇总填列。账本应按年度设置,一年一本,有关填写方法和现金日记账一致,不再赘述。
图4-11 银行存款日记账
六、三栏式明细账
通常我们说的明细账,一般指的就是三栏式明细账。三栏式明细账,一般简称明细账或三栏账。三栏式明细账中的“三栏”,指的就是借方金额、贷方金额、余额这三个栏目。事实上,所有的日记账、明细账,都必须设置借方金额、贷方金额、余额这三个栏目。所以从这个特点来讲,我们可以使用三栏式明细账来登记所有的会计账户。比如,对库存现金和银行存款账户,我们使用三栏式明细账登记,并按日小结、按月合计;对销售费用、管理费用、财务费用、主营业务收入、主营业务成本以及应交税费——应交增值税等账户,我们也可以使用三栏式明细账来登记,对其下栏目,按明细科目设置账户即可。当然了,三栏式明细账无法登记材料采购、在途物资、原材料、库存商品、发出商品、委托加工物资、周转材料等需要进行数量金额核算的会计账户。
三栏式明细账的格式如下图。登记三栏式明细账是会计工作的重头戏,工作量大,容易出错。登记明细账时按记账凭证的顺序,逐笔登记即可。
图4-12 三栏式明细账
七、多栏式明细账
多栏式明细账,又叫多栏账,或以实际栏目数称呼,如九栏账、十三栏账等等。
一般而言,按业务类别而非往来单位进行明细核算的账户,如应交税费——应交增值税、生产成本——基本生产成本以及销售费用、管理费用、财务费用、主营业务收入、主营业务成本、税金及附加等账户,应使用多栏账记账。其中,应交税费——应交增值税、生产成本——基本生产成本这两个科目,企业会计准则明确规定按明细项目设置专栏进行明细核算;其它科目,准则只规定按“明细项目”进行明细核算。所以后者实际上也可以使用三栏式明细账记账。
会计实务中,对销售费用等需要使用多栏账的账户而言,具体应使用“几栏”账本,无法一概而论。因为建账之前,我们不太好估计应该对这些账户设多少个栏目;开始做账之后,又会随实际工作的需要,对栏目进行适当增减、调整。根据经验,应交税费——应交增值税、销售费用、管理费用、税金及附加等账户栏目较多,可以使用十三栏账记账;其它账户使用九栏账记账,当然也可以使用十三栏账记账,不过是多浪费几个栏目而已。
多栏账的格式如下图。账页表头应填写清楚具体的会计科目。账页中除记账日期、凭证字号、摘要以及借方、贷方、余额等常规栏目外,还有各针对明细项目的栏目。这些栏目,分借方栏目和贷方栏目,记账的时候应填写清楚。各借方栏目应连续登记,贷方栏目也是一样。
图4-13 多栏式明细账
要注意的是,登记多栏账的时候,每一笔业务需要在账页的同一行中登记两次,即先在借方或贷方栏目中登记一次,然后再在具体的专栏中登记一次。如上图,王小菜在登记“应交税费——应交增值税”账户的多栏账时,10月份记10号凭证的业务是购进电工圆铝杆,其进项税额为1,108,935.67元,小菜填写完日期、字号和摘要后,在借方栏目填写了“1,108,935.67”,然后,又在“借方项目”的“进项税额”专栏填写了“1,108,935.67”这一数字,这样该行账的记录才算完整。
另外,在对损益类科目进项期末结转损益时,除在前边借方或贷方栏目中登记一次外,也需要在具体的专栏中登记一次,但应以红字填写。在累计“本期合计”和“本年累计”数据的时候,只累计黑字金额。如下图:
图4-14 多栏式明细账局部
八、应交增值税明细账
应交增值税明细账是一种特殊的多栏账。在手工账实务中,也可以使用普通多栏账来登记应交增值税明细账。
专门的应交增值税明细账如下图,账页栏目分借方栏目、贷方栏目和余额栏目,其中借方栏目和贷方栏目又分别设置具体的增值税相关专栏。
图4-15 应交增值税明细账
应交增值税明细账与普通多栏账的区别在于,前者把借方专栏和贷方专栏分别进行了设置,并且把余额栏目放在最后;而后者则把余额栏目放在前面,专栏可以借贷方共用,从而具备一定的灵活性。上图中的账页,借方专栏设置了5个,贷方专栏也设置了5个,如果应交增值税的借方或贷方专栏超过5个,登记账簿将面临困窘。
登记应交增值税明细账时,同样先填写记账日期、凭证字号、摘要等信息,然后分专项填写借方或贷方金额,最后填写余额。与普通多栏账相比,应交增值税明细账无重复填写账目金额的弊端。
九、数量金额式明细账
数量金额式明细账是指需要同时对数量和金额进行核算、登记的明细账。根据应用场景的不同,数量金额式明细账有仓库账、进销存明细账、库存商品明细账、库存材料明细账、销售明细账等不同名目,其实质都是要求同时对核算对象的数量和金额进行核算。
哪些科目需要进行数量金额核算,哪些科目不需要进行数量金额核算,《企业会计准则》没有明确的规定。我的建议是,对原材料、库存商品、周转材料等企业自己能够掌控的物资,原则上应进行数量金额核算;对材料采购、在途物资、发出商品、委托加工物资、周转材料等科目核算的对象,根据企业的核算要求和能力,灵活掌握,可以做数量金额式明细账,也可以不做。
下图是库存商品明细账,属数量金额式明细账。这种账页,也类似于三栏式明细账,只是在记账时,需要同时对收入(或借方)、发出(或贷方)、结存(或余额)分别登记数量、单价和金额三个数字。其中,金额为同一栏目的数量和单价的乘积。
图4-16 数量金额式明细账
十、固定资产明细账
固定资产明细账是专门用于登记固定资产类别特征及其增减变化、计提折旧的账簿。固定资产业务不多的企业,也可以采用三栏式明细账登记固定资产业务。
图4-17 固定资产明细账登记流程
上图是固定资产相关的会计业务事项及其流程。会计或固定资产管理人员根据原始凭证,为每一项具体的固定资产填制卡片,卡片需填制一式二份,一份由固定资产使用部门保管,一份由财务部门保管。因固定资产卡片为活页式,容易遗失,故财务部门需建立固定资产卡片登记簿,对卡片进行集中登记。同时,会计人员应根据固定资产原始凭证填制记账凭证,登记明细账。这里需要注意,固定资产卡片只是非定期地登记固定资产管理信息,并不能代替固定资产明细账。
固定资产明细账账页如下图,每一账页可以只登记一项具体的固定资产,也可以按类别进行登记。固定资产明细账账页表头部分比较复杂,除页码之外,还需要对固定资产个体或类别的编号、名称、型号、使用年限、折旧率、预计残值、存放地点等信息进行登记,以便具体量化固定资产的特征。账页表体部分,类似于数量金额明细账,需要对固定资产的单价、数量、金额等信息进行明细登记。
图4-18 固定资产明细账

![-[奥运女足十大参赛球星 玛塔领衔居首韩端在列是吗] -[奥运女足十大参赛球星 玛塔领衔居首韩端在列是吗]](http://www.jtvanu.com/zb_users/theme/RanGame/usr/random/3.jpg)



发表评论